vasb@nvef-irag.eh +7 495 108-99-27

Электропривод AIRS BME230A

Электропривод предназначен для управления огнезадерживающими клапанами и клапанами дымоудаления, установленными в системах общеобменной вентиляции, кондиционирования и системах противопожарной вентиляции.
  • Назначение приводаДля противопожарных клапанов
  • Крутящий момент5
  • Наименование приводаBME
  • Возвратная пружинаНет
  • НапряжениеAC 230В

Описание

  • Управление: открыто/закрыто
  • Напряжение питания 230 В
  • Управление огнезадерживающими клапанами и клапанами дымоудаления площадью до 1 м2
  • Крутящий момент 5 Нм
  • Возможно взрывозащищенное исполнение

Принцип действия

При подаче питания происходит вращение вала электропривода к положениям открыто или закрыто. При прекращении подачи питания вал сохраняет свое положение.

Монтаж

Электропривод устанавливается на клапан с квадратным приводным валом размером 12 мм и закрепляется через крепежные отверстия Ø6 мм к корпусу клапана.

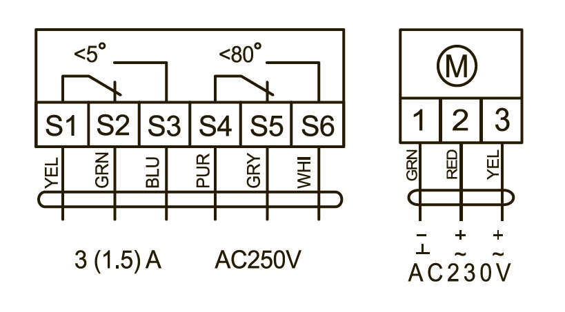
Сигнализация положений

Электропривод содержит два встроенных переключателя для сигнализации положения створки при углах поворота на 5° и 80°. Промежуточное положение определяется по механическому указателю.

Ручное управление

Возможно ручное управление приводом, а также фиксирование его в любом положении. Управление осуществляется прилагаемым в комплекте ключом.

Схемы электрических подключений

Цена по запросу

Кол-во:

Заказать консультацию

Оставьте заявку на обратную связь и мы поможем с подбором необходимого оборудования и с консультацией

Я согласен(сна) на обработку персональных данных

Контакты