Описание
- Управление 2-х, 3-х позиционное
- Управление воздушными клапанами площадью до 3,2 м2
- Возможно взрывозащищенное исполнение
Принцип действия
При подаче напряжения происходит вращение вала электропривода к положениям открыто или закрыто. При прекращении подачи напряжения вал сохраняет свое положение. Ручное управление осуществляется поворотом вала привода после вывода из зацепления редуктора при помощи рычага на корпусе привода.
Монтаж
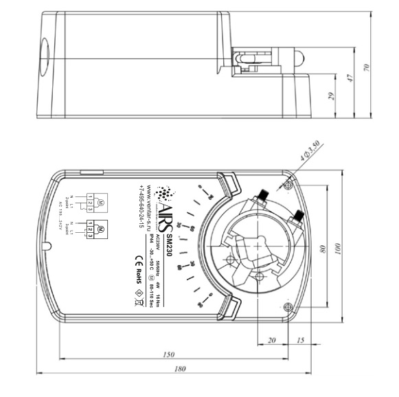
Электропривод легко устанавливается непосредственно на вал створки клапана круглого сечения 10...20 мм или квадратного сечения 10...16 мм и закрепляется с помощью универсального крепежного устройства. К корпусу клапана электропривод крепится при помощи универсальной крепежной пластины или непосредственно на корпус клапана.
Сигнализация положений
Промежуточное положение определяется по механическому указателю.

Схемы электрических подключений