Нормально закрытые клапаны применяются в системах вытяжной и приточной противодымной вентиляции и системах для удаления дыма и газа после пожара из помещений, защищаемых установками газового, аэрозольного или порошкового пожаротушения. Предназначены для подачи свежего воздуха (в том числе и компенсирующей подачи) и удаления продуктов горения из защищаемых помещений. Клапаны сертифицированы в соответствии с требованиями технического регламента Евразийского экономического союза «О требованиях к средствам обеспечения пожарной безопасности и пожаротушения» (ТР ЕАЭС 043/2017).
Описание НЗ
Типы клапана:
- К - канальный
- С - стеновой
- КС - канальный без вылета заслонки за лицевую сторону
- КЛ - канальный многостворчатый
- СЛ - стеновой многостворчатый
- УВ-К - канальный с уменьшенным вылетом заслонки
- УВ-С - стеновой с уменьшенным вылетом заслонки
Опции:
- К - клеммная коробка
- РК - клеммная коробка (распаячная)
- МС - морозостойкое исполнение
- МС (ГК) - морозостойкое исполнение + греющий кабель по периметру
- МС (УП) - морозостойкое исполнение + греющий кабель по периметру + греющий кабель на приводе
- ТРУ TS - терморазмыкающее устройство
- AISI - коррозионностойкое исполнение (любая марка нерж.стали)
- 1*D(A-B)/2*D(A-B) - переходник с прямоугольного клапана на круглый клапан
Предел огнестойкости клапанов:
- в режиме нормально закрытого
- Клапан противопожарный нормально закрытый КПП состоит из:
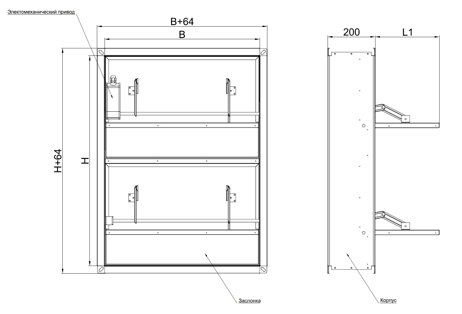
корпуса, изготовленного из оцинкованной стали толщиной 1 мм
огнеупорных одной или нескольких заслонок из негорючих минеральных материалов и привода, расположенного снаружи или внутри корпуса.
Корпус прямоугольного клапана, в зависимости от исполнения, имеет глубину от 200 мм до 250 мм и конструктивно аналогичен отрезку воздуховода такой же длины. Корпус стенового клапана, в зависимости от исполнения, имеет глубину от 160 мм до 250 мм.
Двигательные механизмы, применяемые на клапанах НЗ:
- Электропривод BELIMO реверсивный
- Электропривод AIRS реверсивный
- Электропривод BELIMO с возвратной пружиной
- Электропривод AIRS с возвратной пружиной
- Электромагнитный привод
220/24 В - выбор на все приводы
Фланец на канальных клапанах шириной 30 мм., на стеновых клапанах 45 мм. Заслонки имеют коробчатый вид, заполненный огнезащитным материалом. В качестве уплотнителя используется противопожарный уплотнитель (термоактивная лента), которая герметизирует клапан, при воздействии температуры свыше 140°С
-НЗ-3.jpg)
Клапан КПП нормально закрытые канального типа прямоугольного сечения сохраняют работоспособность вне зависимости от пространственной ориентации, но при условии горизонтального расположения оси вращения их лопаток. Клапаны стенового типа сохраняют работоспособность только при вертикальной установке. Пространственная ориентация клапана при его установке должна быть указана при заказе.
Клапаны КПП НЗ канального исполнения:
- К - канальный
- КС - канальный без вылета заслонки за лицевую сторону
- КЛ - канальный многостворчатый
- УВ-К - канальный с уменьшенным вылетом заслонки
Клапан противопожарный КПП 90(120)-НЗ(УВ-К)-ВН
Модификация клапана:
многостворчатые канального исполнения с приводом внутри, где отсутствует вылет за лицевую сторону корпуса клапана, а также уменьшается вылет в противоположную сторону
Чертеж клапана НЗ(УВ-К)-ВН EI 90
Чертеж клапана НЗ(УВ-К)-ВН EI 120
Технические характеристики НЗ
Пример заказа НЗ
*При комплектации периметрального обогрева и утепления привода нанесение специального морозостойкого состава по умолчанию